关于我们
联系我们
网站地图
您好!欢迎访问上海迈诺德精工科技有限公司
5万平方源头厂家
10年深耕气动马达搅拌机领域
全国咨询热线:
13511627464
网站首页
关于我们
公司简介
企业文化
厂房展示
搅拌机系列
吨桶搅拌机
立式搅拌机
电动搅拌机
不锈钢搅拌桶
55加仑搅拌机
5-100L搅拌机
手持搅拌机
气动马达系列
叶片式气动马达
活塞式气动马达
活塞减速马达
叶片减速马达
微型气动马达
气动摇摆机
新闻中心
公司新闻
行业动态
常见问答
应用行业
设备传动
化工行业
油墨涂料
食品机械
纺织行业
环保设备
污水处理
联系我们
热门关键词:
叶片式气动马达
活塞式气动马达
活塞减速马达
叶片减速马达
微型气动马达
气动摇摆机
您的位置:
主页
>
气动马达系列
>
叶片式气动马达
气动马达系列
叶片式气动马达
活塞式气动马达
活塞减速马达
叶片减速马达
微型气动马达
气动摇摆机
全国服务热线
13511627464
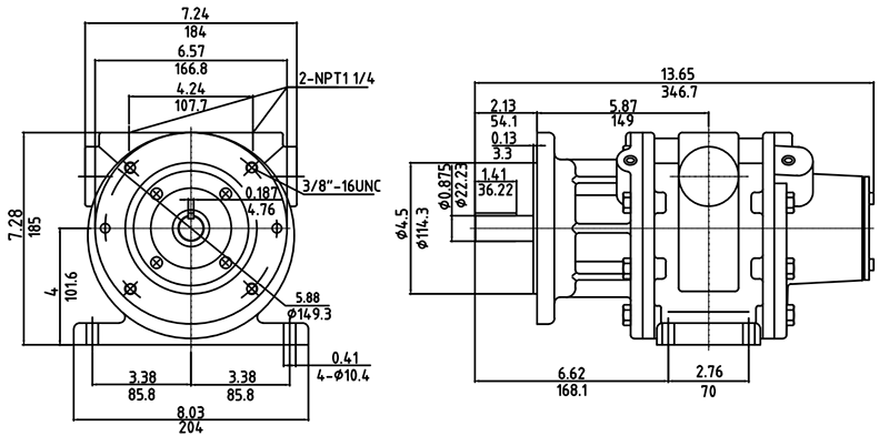
16AM-FRV-13叶片式气动马达
扭力:34NM,功率:7kW, 转速:2000rpm
在线咨询
全国热线
13511627464
产品简介
/ PRODUCT INTRODUCTION
热品推荐
微型气动马达
单桶气动混合摇摆机
双桶气动混合摇摆机
QQ咨询
联系电话
13511627464
在线留言
微信扫一扫
返回顶部
留言标题:
*
你的姓名:
联系电话:
电子邮箱:
联系地址:
留言内容: