关于我们联系我们 网站地图 您好!欢迎访问上海迈诺德精工科技有限公司
5万平方源头厂家10年深耕气动马达搅拌机领域
全国咨询热线:13511627464
您的位置: 主页 > 气动马达系列 > 叶片式气动马达

8AM-H叶片式气动马达

扭矩:14.4NM,转速:2500RPM,功率:3.9KW

在线咨询 全国热线
13511627464
产品简介 / PRODUCT INTRODUCTION

750产品图片-恢复的.jpg

产品参数

1652853980103302.png

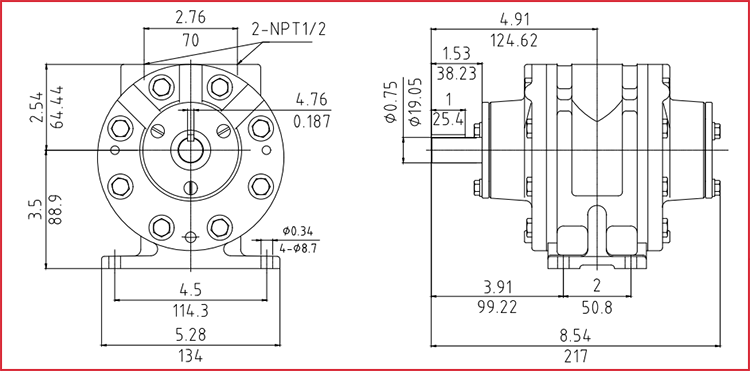
外形尺寸

1627556889591903.png

安装方式.jpg

产品实拍

叶片式产品实拍.jpg

工厂展示

工厂展示.jpg

应用领域.jpg

注意事项

(1)气动马达须由干燥、洁净,经过润滑的压缩空气驱动,须在气路系统中安装空气过滤器、调压阀、油雾器,即二联件或三联件。二联件、三联件须靠近气动马达安装(0.5米内)。


(2)接管内径不小于6.5mm,气路连接完毕接入气动马达前须通气清理气管内部可能出现的碎屑杂物,这些异物进入气动马达内部会造成马达卡死。


(3)气动马达运行时须持续润滑(润滑油经油雾器雾化后随压缩空气进入气动马达),润滑会减少气动马达叶片的磨损以及马达内部零件的锈蚀,延长使用寿命。润滑油标号为ISO-VG32号油雾器专用油或其他同等标号润滑油。润滑量为每立方米压缩空气1滴/分钟

AM4图纸.jpg



热品推荐